☏
0532-85879888
下载中心
CAD下载
首页
橱柜
衣柜
书柜
酒柜
鞋柜
洗衣柜
玄关柜
电视柜
阳台柜
榻榻米
衣帽间
浴室柜
餐边柜
房间门
墙板
当前位置:CAD下载
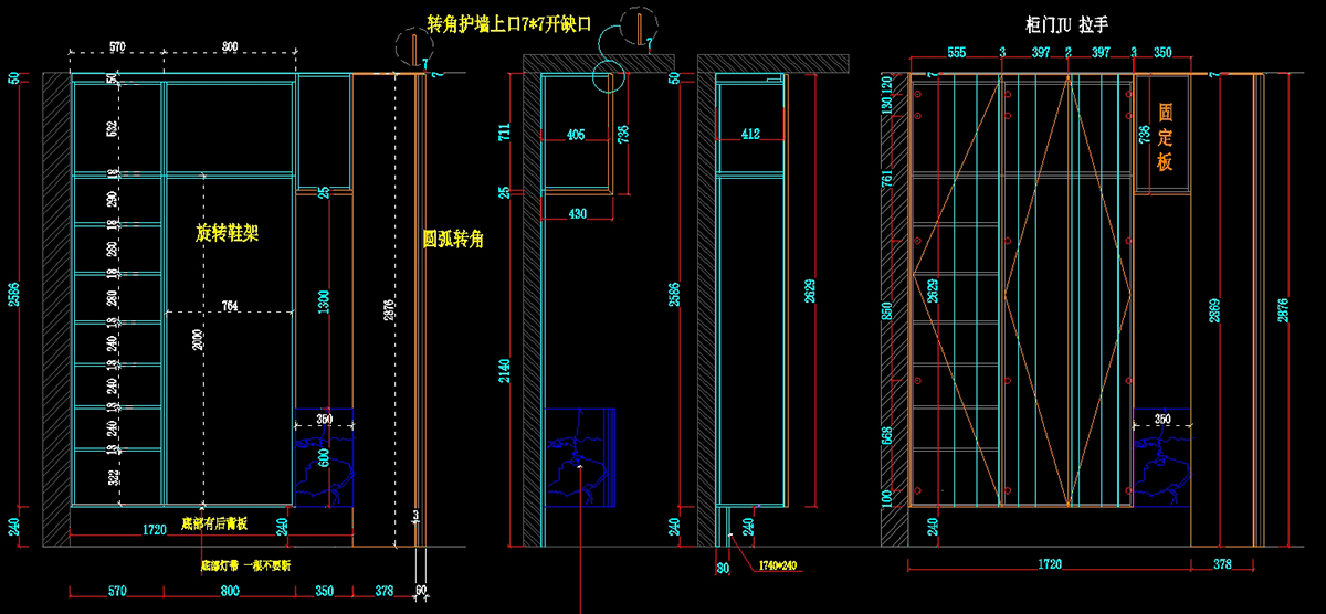
HS-CAD-XGG-g299
分类:
玄关柜
宽度:
1720
标题:
HS-CAD-XGG-g299
工厂编号:
0
下载地址:
gao/HS-CAD-XGG-g299.dwg